Timing Chain Kit to suit Ford Transit Van VH / VJ 2.4L 05.2003 - 2006*
Timing Chain Kit to suit Ford Transit Van VH / VJ 2.4L 05.2003 - 2006*
Couldn't load pickup availability
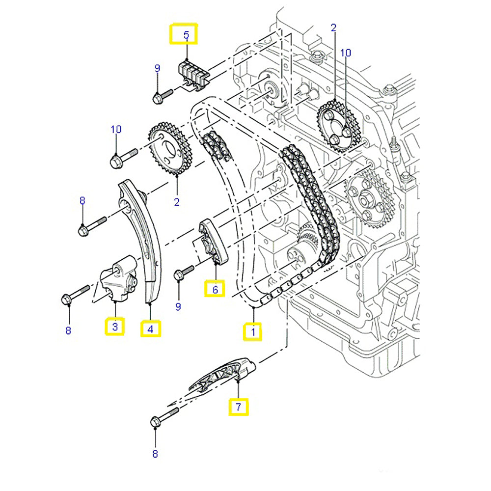
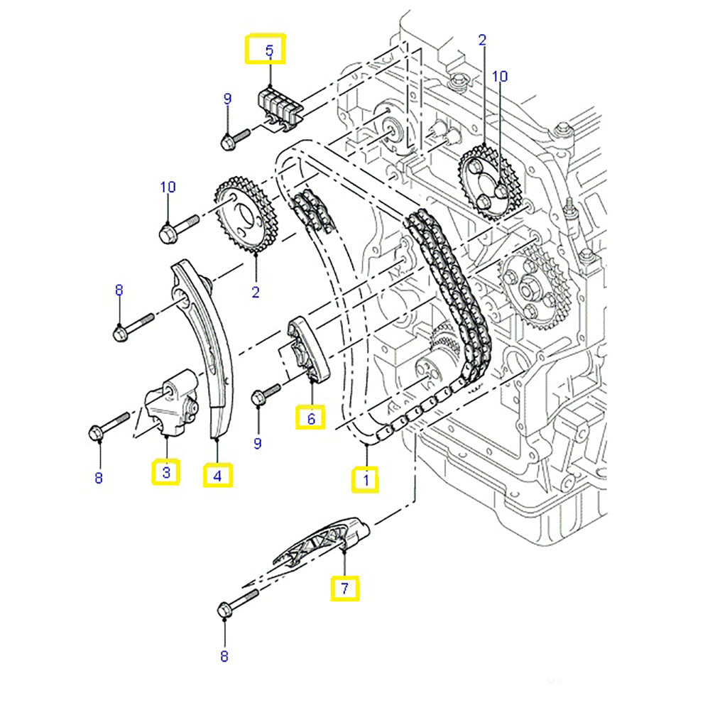
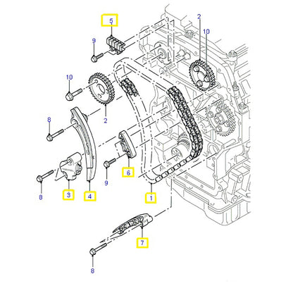
BRAND NEW TIMING CHAIN KIT
BRAND: SKF
BRAND NEW TO SUIT PART NUMBERS: PART NO: KTYC1Q6M000A2A
ALTERNATE PART NO: KT-YC1Q-6M000-A2A, KT YC1Q 6M000 A2A, T199205
CONDITION: New If you are unsure about which Kit you need, contact our friendly sales team. Please have your VIN or registration number ready and we will be able find the right part for your vehicle.
The set includes: - timing chain - timing chain guides - timing chain tensioner -Gasket Sealant All components required to change timing chain Don't forget to look at the other recommended items below that are most commonly changed while undertaking this job
*Note– Use OEM part number sourced through OEM, the part number off the original part or your vehicle identification number (VIN) to confirm the part is correct for your vehicle prior to purchase. Date codes should be used as a guide only, Part drawings are for reference only, actual part my vary and non highlighted items are not included
Share
