1
/
of
2
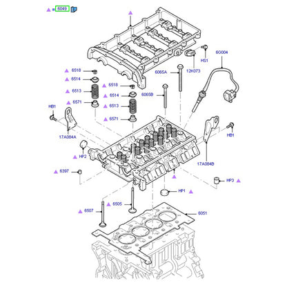
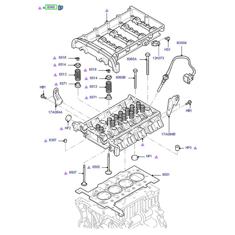
Genuine Dressed Head Assembly to suit 2.2L VM FWD 2006-2011 Early Ford Transit 6C1Q6C032AA / 1433147
Genuine Dressed Head Assembly to suit 2.2L VM FWD 2006-2011 Early Ford Transit 6C1Q6C032AA / 1433147
Regular price
$1,485.00 AUD
Regular price
$1,650.00 AUD
Sale price
$1,485.00 AUD
Unit price
/
per
Taxes included.
Shipping calculated at checkout.
Couldn't load pickup availability
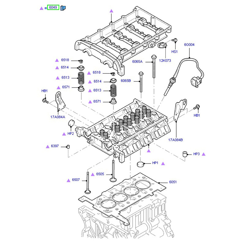
BRAND NEW DRESSED 2.2L VM FWD EARLY HEAD ASSEMBLY
BRAND: Genuine / Ford
BRAND NEW TO SUIT PART NUMBERS: PART NO: 6C1Q6C032AA ALTERNATE PART NO: 6C1Q 6C032 AA, 6C1Q-6C032-AA, 1433147 CONDITION: New *** As this item is over sized / over weight please contact for courier pricing *** If you are unsure about which Part you need, contact our friendly sales team. Please have your VIN or registration number ready and we will be able find the right part for your vehicle. SPECS: CYLINDER HEAD 2.2L PUMA FWD GENUINE FORD 110PS 2006-2011 Early VM COMPLETE VALVES/SPRINGS - Head only For more information on this product please contact us, we will be working to update all information on the website soon. *Note– Use OEM part number sourced through OEM, the part number off the original part or your vehicle identification number (VIN) to confirm the part is correct for your vehicle prior to purchase. Date codes should be used as a guide only, Part drawings are for reference only, actual part my vary and non highlighted items are not includedShare
