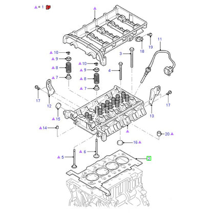
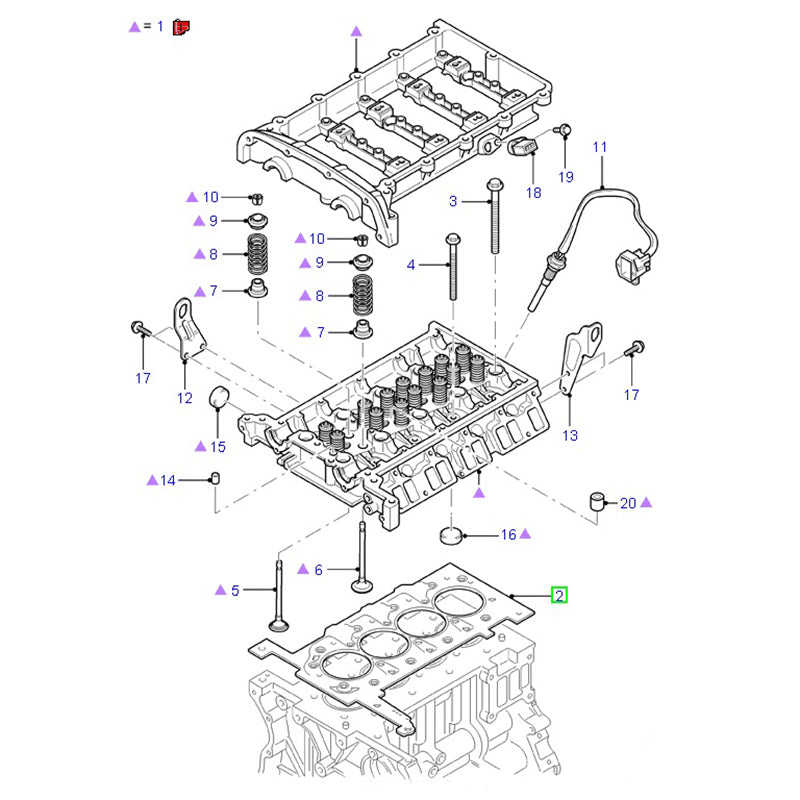
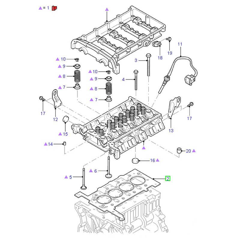
Cylinder Head Gasket 2 Hole / 2 Tooth to Suit VJ, VH, VM Ford Transit Van 5C1Q6051BA/ 1349875
Cylinder Head Gasket 2 Hole / 2 Tooth to Suit VJ, VH, VM Ford Transit Van 5C1Q6051BA/ 1349875
Couldn't load pickup availability
BRAND NEW CYLINDER HEAD GASKET 2 TOOTH
BRAND NEW TO SUIT PART NUMBERS: PART NO: 5C1Q6051BA
ALTERNATE PART NO: 5C1Q 6051 BA, 5C1Q-6051-BA, 3C1Q6051BA, 3C1Q 6051 BA, 3C1Q-6051-BA, YC1Q6051BE, YC1Q 6051 BE, YC1Q-6051-BE
CONDITION: New If you are unsure about which Part you need, contact our friendly sales team. Please have your VIN or registration number ready and we will be able find the right part for your vehicle.
DESCRIPTION: CYLINDER HEAD GASKET 2 HOLE / 2 TOOTH (Middle Type) Dimensions and size Diameter 91 mm Length 450 mm Thickness 1.15 mm Width 385 mm **Check the type of head gasket to suit engine, the different tooth / hole type is determined by the current engine to the piston height (TDC) to the top of the block (not the head thickness) For more information on this product please contact us.
*Note– Use OEM part number sourced through OEM, the part number off the original part or your vehicle identification number (VIN) to confirm the part is correct for your vehicle prior to purchase. Date codes should be used as a guide only, Part drawings are for reference only, actual part my vary and non highlighted items are not included
Share
