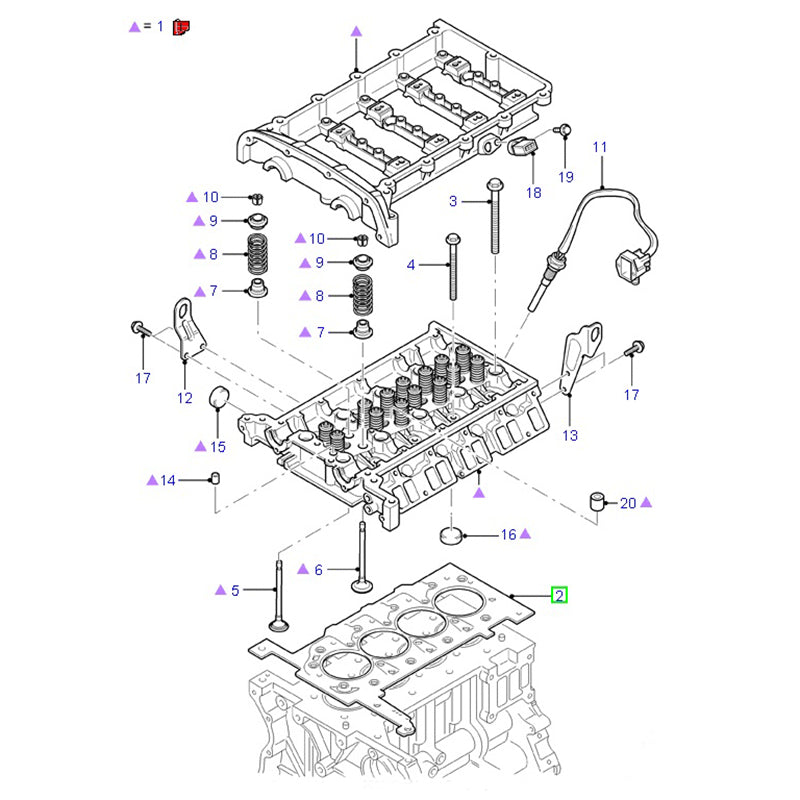
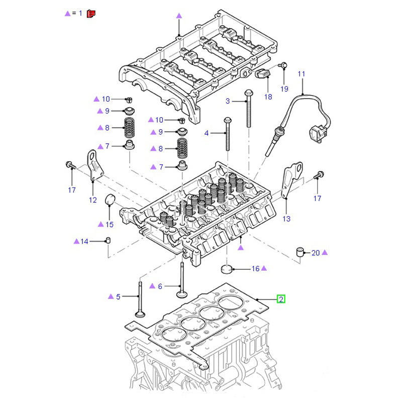
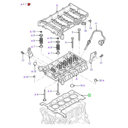
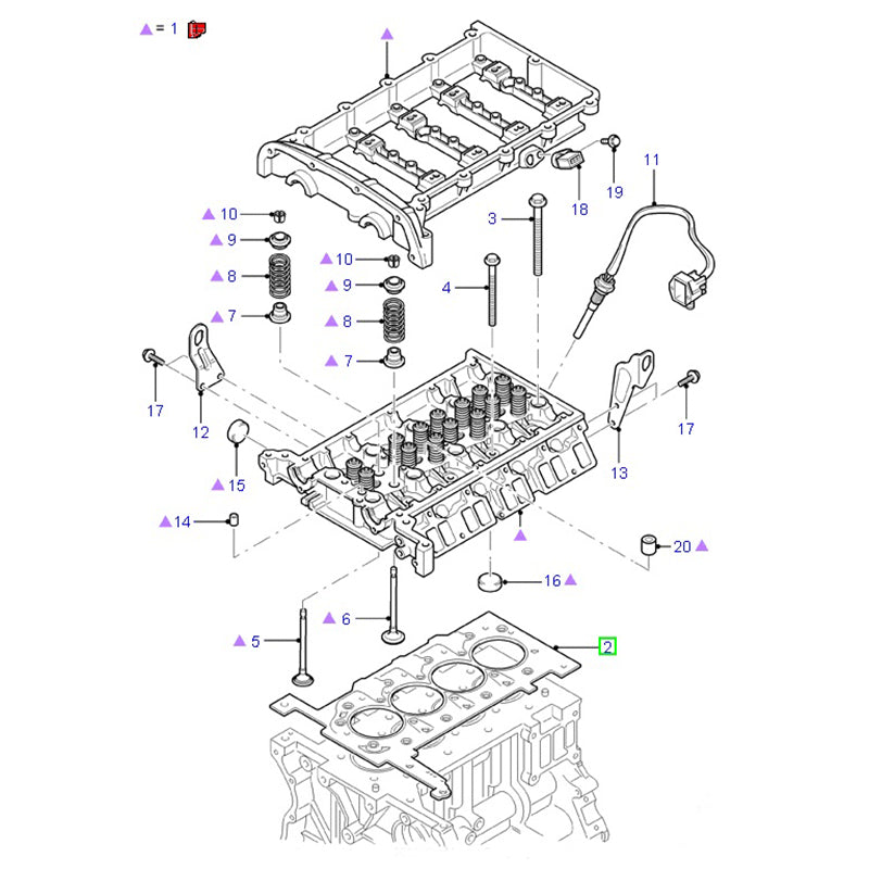
Cylinder Head Gasket 3 Hole / 3 Tooth - Thick to Suit VJ, VH, VM Ford Transit Van 5C1Q6051CA / 1349876
Cylinder Head Gasket 3 Hole / 3 Tooth - Thick to Suit VJ, VH, VM Ford Transit Van 5C1Q6051CA / 1349876
Couldn't load pickup availability
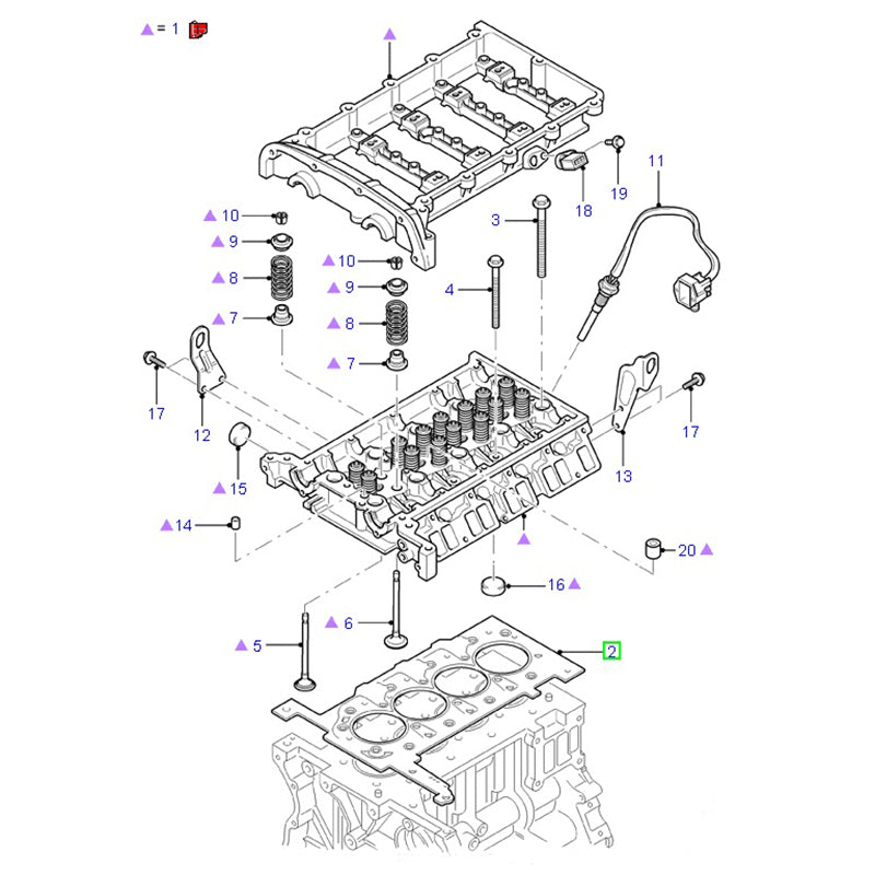
BRAND NEW CYLINDER HEAD GASKET 3 TOOTH - THICK
BRAND: Aftermarket
BRAND NEW TO SUIT PART NUMBERS: PART NO: 5C1Q6051CA ALTERNATE PART NO: 5C1Q 6051 CA, 5C1Q-6051-CA, YC1Q6051CE, YC1Q 6051 CE, YC1Q-6051-CE, 3C1Q6051CA, 3C1Q 6051 CA, 3C1Q-6051-CA CONDITION: New If you are unsure about which Part you need, contact our friendly sales team. Please have your VIN or registration number ready and we will be able find the right part for your vehicle. DESCRIPTION: CYLINDER HEAD GASKET 3 HOLE / 3 TOOTH (Thick Type) Dimensions and size Diameter 91 mm Length 450 mm Thickness 1.2 mm Width 385 mm **Check the type of head gasket to suit engine, the different tooth / hole type is determined by the current engine to the piston height (TDC) to the top of the block (not the head thickness) For more information on this product please contact us.
*Note– Use OEM part number sourced through OEM, the part number off the original part or your vehicle identification number (VIN) to confirm the part is correct for your vehicle prior to purchase. Date codes should be used as a guide only, Part drawings are for reference only, actual part my vary and non highlighted items are not included
Share
