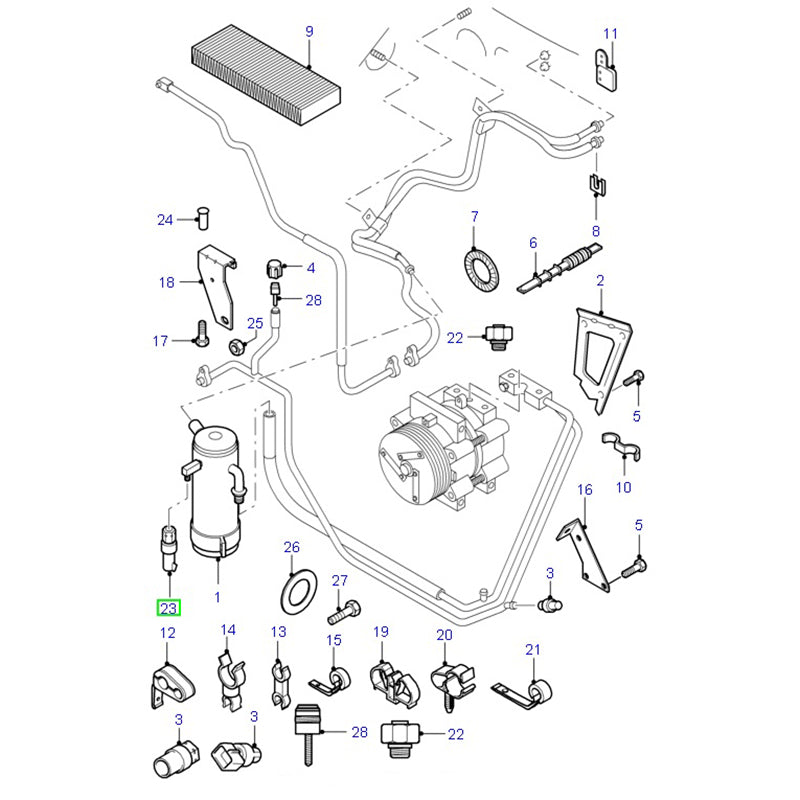
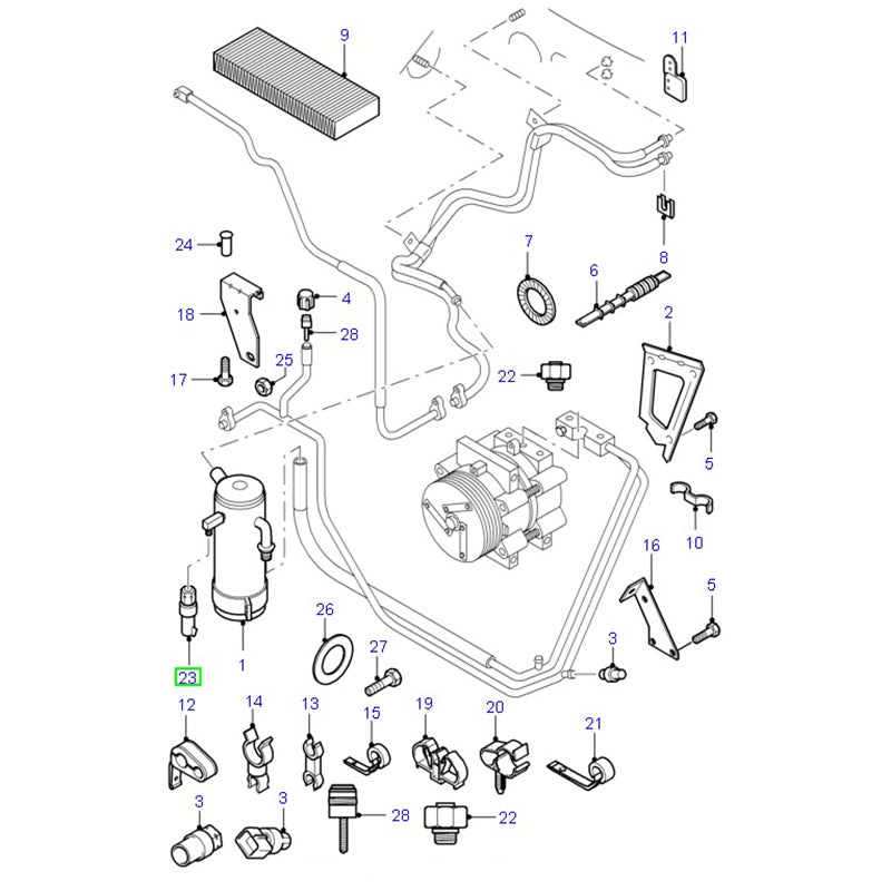
Air Conditioning Low Pressure Switch to suit VH / VJ / VM Ford Transit 95BW19E561AA / 1016565
Air Conditioning Low Pressure Switch to suit VH / VJ / VM Ford Transit 95BW19E561AA / 1016565
Couldn't load pickup availability
BRAND NEW AC LOW PRESSURE SWITCH
BRAND NEW TO SUIT PART NUMBERS: PART NO: 95BW19E561AA
ALTERNATIVE PART NO: 95BW 19E561 AA, 95BW-19E561-AA, 1016565 1 016 565 95 BW19E561AA
OTHER BRAND PART NO: 6ZL 351 023 041
CONDITION: New If you are unsure about which Part you need, contact our friendly sales team. Please have your VIN or registration number ready and we will be able find the right part for your vehicle.
SPECS: AC LOW PRESSURE SWITCH For more information on this product please contact us.
*Note– Use OEM part number sourced through OEM, the part number off the original part or your vehicle identification number (VIN) to confirm the part is correct for your vehicle prior to purchase. Date codes should be used as a guide only, Part drawings are for reference only, actual part my vary and non highlighted items are not included
Share
